•  218 486 382
  •  917 242 006
  •  geral@manutser.com

Imagens

Todas
Formação em oficina
Formação em sala
Circuitos hidráulicos
Eletricidade
Máquinas do tipo fixo
Máquinas do tipo “mobile”
Pneumática
  • Formação nas oficinas do Cliente
    Na deslocação às oficinas são analisadas questões específicas a um equipamento
  • Formação sobre uma pá carregadora
    Analisar o acionamento hidráulico do balde
  • Ação específica ao modelo da máquina
    Os formandos colocam questões junto ao próprio equipamento
  • Máquina desmontada
    Localizar os principais componentes do esquema hidráulico, analisado em sala
  • Formação em sala
    Por vezes, a formação em sala desenvolve-se num arranjo oficinal
  • Formação básica
    Formação teórico-prática com grupos de até 12, 15 participantes
  • Ambiente em sala do Cliente
    São fornecidos esquemas simples ao grupo e pedida a instalação correta de circuitos hidráulicos em banca didática
  • Utilização de manómetros
    Medições da pressão ao longo da instalação
  • Análise de resultados
    Discussão teórico-prática dos valores de pressão lidos e registados no flipchart
  • Desenhos e esquemas hidráulicos
    Esclarecimentos sobre o funcionamento de componentes e interpretação simbólica presente nos esquemas de acionamento da máquina
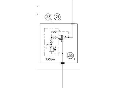
  • Indústria siderúrgica
    Aplicação dum elemento lógico a limitar a pressão em grandes caudais
  • Simbologia aplicável
    Normas americanas e europeias adequadas aos equipamentos
  • Indústria fabril
    Aplicação duma electroválvula de centro aberto e dum regulador de caudal com compensação de pressões e de temperatura
  • Energias renováveis
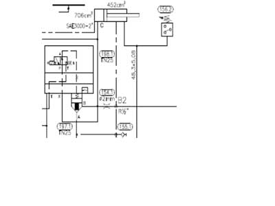
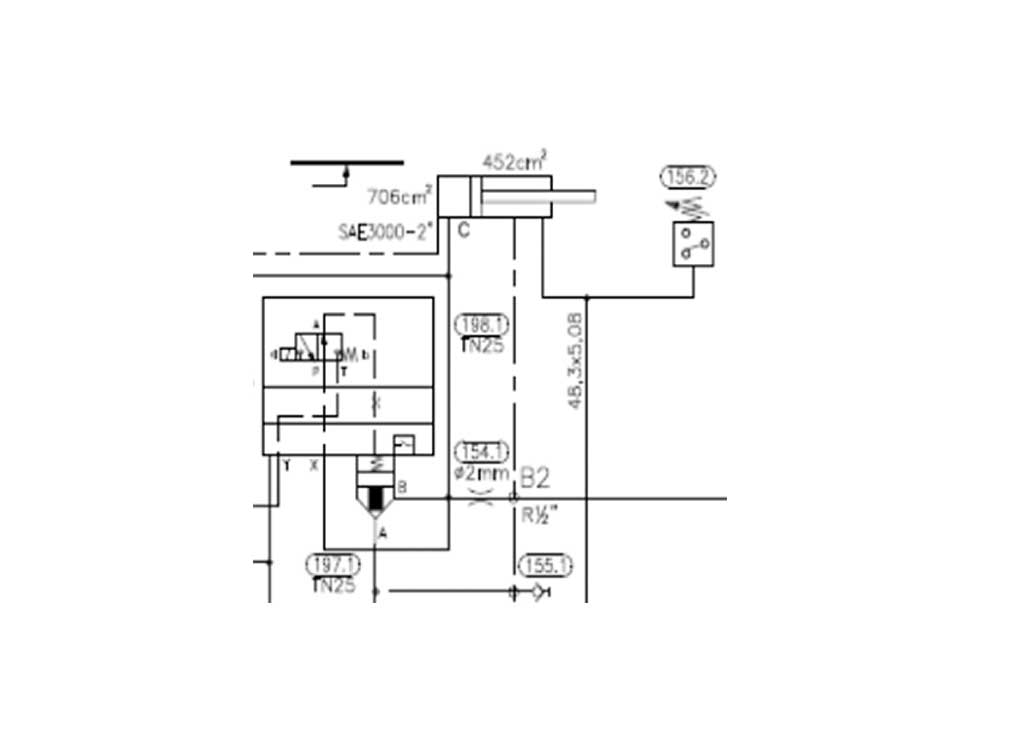
    Extrato do circuito de movimentação duma comporta
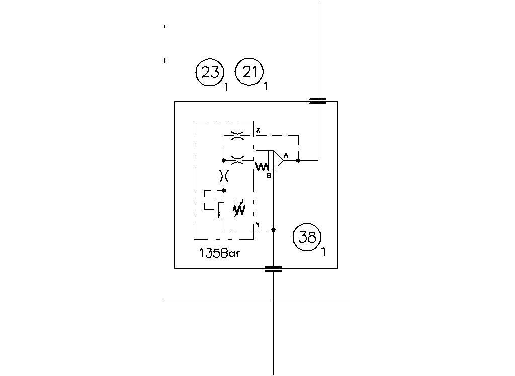
  • Indústria siderúrgica
    Aplicação dum elemento lógico como válvula de retenção
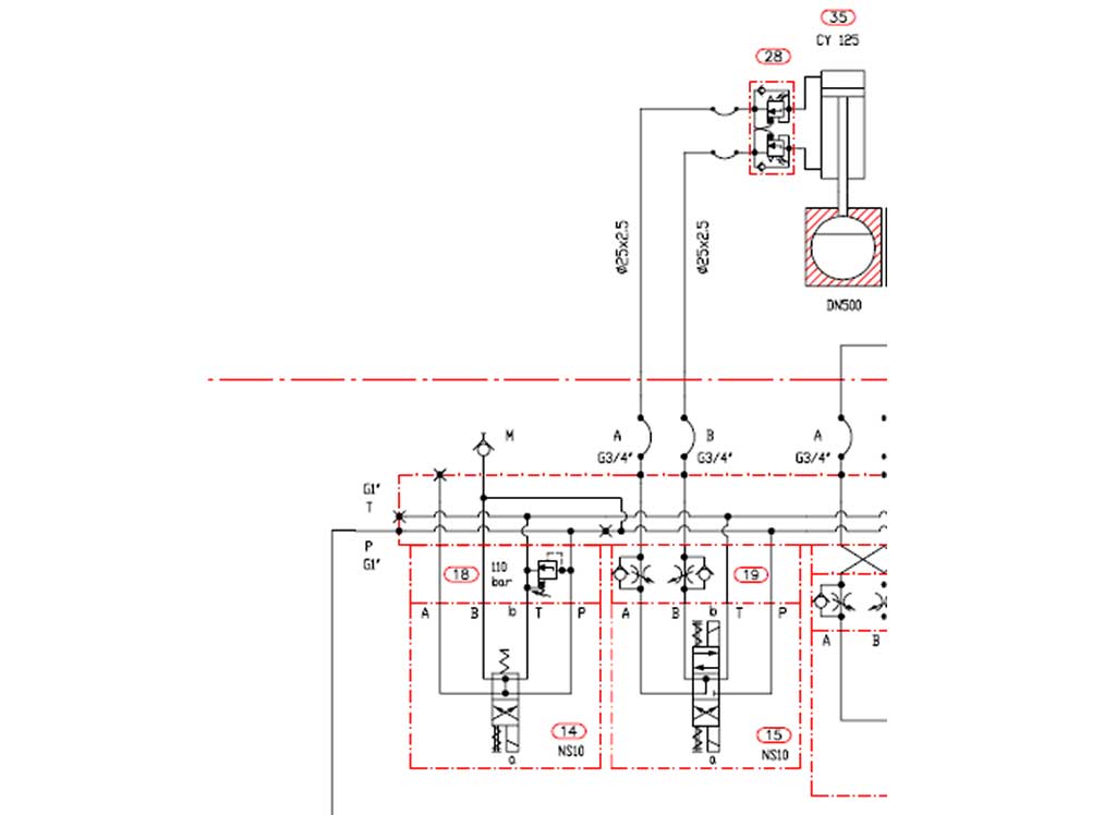
  • Indústria metalomecânica
    Extrato do circuito de movimentação duma válvula de cunha
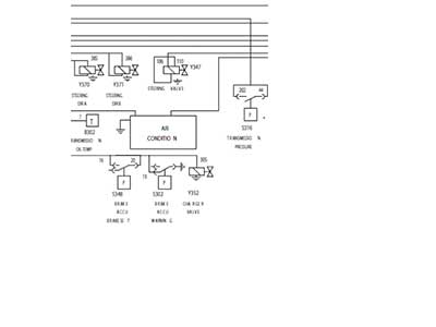
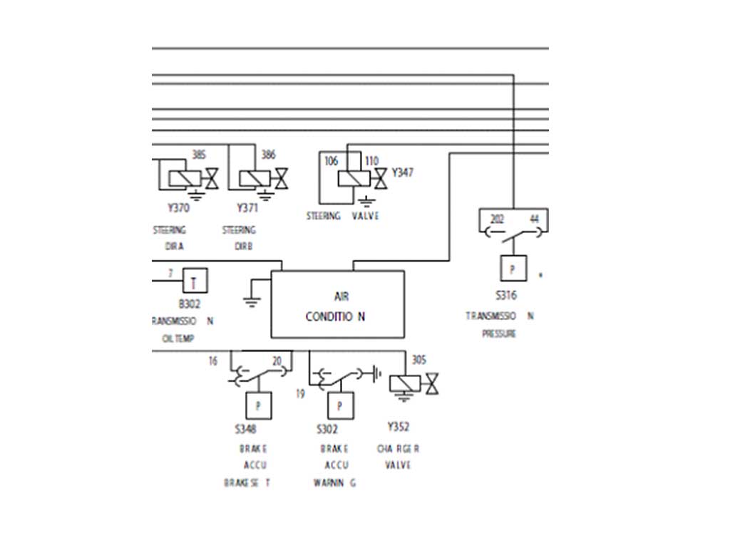
  • Eletricidade para mecânicos
    Extrato de circuito de comando em 24 V DC para electroválvulas
  • Eletricidade para não eletricistas
    Uso dum multímetro numa formação para mecânicos
  • Eletricidade para mecânicos
    Ligações a um interruptor elétrico
  • Eletricidade para mecânicos
    Operação do pressostato
  • Indústria de plásticos
    Formação sobre uma máquina de injeção de plásticos
  • Indústria automóvel
    Formação sobre um centro de maquinagem complexo
  • Indústria mineira
    Formação sobre uma pá carregadora
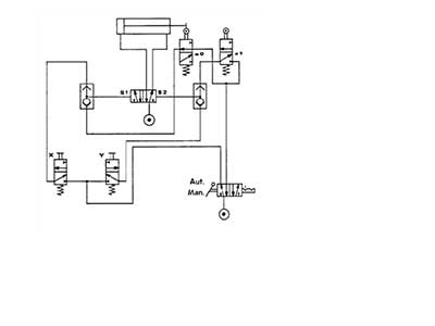
  • Obras públicas
    Aplicação duma válvula tipo orbitrol
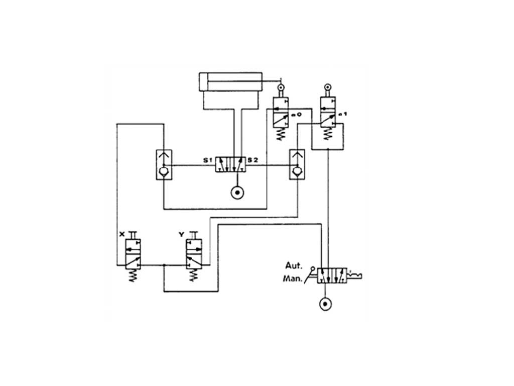
  • Ação num Dumper
    Válvula tipo orbitrol desmontada para análise detalhada do seu funcionamento
  • Formação básica
    Circuito pneumático com comando automático ou manual
  • Produção de ar comprimido
    Compressor alternativo
  • Formação em escola tecnológica
    Compressor de palhetas
  • Tratamento do ar
    Reguladores de pressão do ar comprimido
  • Indústria cimenteira
    Unidade de conservação
  • Aplicação na indústria
    Válvula pneumática antirretorno